



YWZ系列油位计-温度表
YWZ系列油位計-溫度表
YWZ系列油位计-温度表是变压器油箱的油位测试装置和油温测试装置合二为一的产品。其主要结构包括:油位计的浮球部分、传动部分、磁偶合器、指示部分;温度计的双金属感温棒、指示部分。浮球部分将油位高低通过传动部分与磁偶合器带动指示部分,最后通过指针在表盘上指示出油位的高低;温度计部分将双金属感温棒感受到的温度变化转换为指针的旋转,并在表盘上准确的指示出来,起到现场观测的目的。
YWZ系列油位計-溫度表是變壓器油箱的油位測試裝置和油溫測試裝置合二為一的產品。其主要結構包括:油位計的浮球部分、傳動部分、磁偶合器、指示部分;溫度計的雙金屬感溫棒、指示部分。浮球部分將油位高低通過傳動部分與磁偶合器帶動指示部分,最後通過指針在錶盤上指示出油位的高低;溫度計部分將雙金屬感溫棒感受到的溫度變化轉換為指針的旋轉,並在錶盤上準確的指示出來,起到現場觀測的目的。
1. 环境温度:-30℃~+70℃(可根据用户需求定制最高可支持 -45℃~+70℃),工作环境要求:-30℃~+120℃(可根据用户需求定制最高可支持 -45℃~+120℃)。
2. 相对湿度:当空气温度为 20℃时,相对湿度不大于 95%。
3. 油温不高于 120℃。
4. 无剧烈振动和颠簸的场所。
5. 指示误差:小于全盘的 2.5%。
6. 长期稳定性:不小于 10000 次。
7. 密封性能:245KPa,20min 无渗漏。
8. 防护等级:IP55(可根据用户需求定制)。适用范围:海拔 0~4000m。
9. 油温测量范围:0~120℃。
10. 油温指示精度:±0.5℃。
1. 環境溫度:-30℃~+70℃(可根據用戶需求定製最高可支持 -45℃~+70℃),工作環境要求:-30℃~+120℃(可根據用戶需求定製最高可支持 -45℃~+120℃)。
2. 相對濕度:當空氣溫度為 20℃時,相對濕度不大於 95%。
3. 油溫不高於 120℃。
4. 無劇烈振動和顛簸的場所。
5. 指示誤差:小於全盤的 2.5%。
6. 長期穩定性:不小於 10000 次。
7. 密封性能:245KPa,20min 無滲漏。
8. 防護等級:IP55(可根據用戶需求定製)。適用範圍:海拔 0~4000m。
9. 油溫測量範圍:0~120℃。
10. 油溫指示精度:±0.5℃。

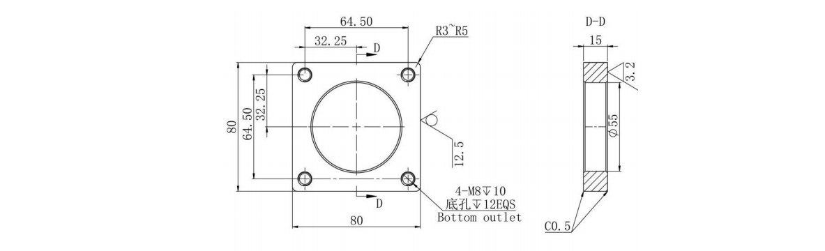
YZW2-80-XXTH 一体油位-温度表 外形图

连接法兰
| 色卡编号 | 颜色 | 可选性 |
| RAL7035 | 浅灰色 | 默认 |
扭矩参考表
| 装配位置 | 螺纹规格 | 推荐扭矩 | 装配工具规格 | 备注 | |
| 法兰安装孔 | M8 螺栓 | 11~14Nm | ![]() |
13mm | |