



YDK-6系列液位计
YDK-6 系列液位计,特点是螺纹连接,安装方便,密封可靠;主要功能是监控密封变压器的油位,当变压器油箱中的油位下降到一定位置时会触发液位计的开关触点。本产品安装于变压器油箱顶部的升高座上,液位计外壳采用铝合金制成,表面可以按 C5 防腐处理。内部浮子上下垂直运动,通过磁力传动带动开关机构动作,浮子由耐油、闭孔的发泡丁腈耐油橡胶材料制成,以防止变压器油对浮子的渗透所带来的损坏,并保证浮力及稳定性。
YDK-6 系列液位計,特點是螺紋連接,安裝方便,密封可靠;主要功能是監控密封變壓器的油位,當變壓器油箱中的油位下降到一定位置時會觸發液位計的開關觸點。本產品安裝於變壓器油箱頂部的升高座上,液位計外殼採用鋁合金製成,表面可以按 C5 防腐處理。內部浮子上下垂直運動,通過磁力傳動帶動開關機構動作,浮子由耐油、閉孔的发泡丁腈耐油橡膠材料製成,以防止變壓器油對浮子的滲透所帶來的損壞,並保證浮力及穩定性。
1. 安装位置:油箱盖上、升高座上。
2. 环境温度:-30℃~+80℃(可根据用户需求定制最高可支持 -45℃~+80℃),工作环境要求:-30℃~+125℃(可根据用户需求定制最高可支持 -45℃~+125℃)。
3. 相对湿度:当空气温度为 20℃时,相对湿度不大于 95%。
4. 防护等级:IP56,适用范围:海拔 0~4000m。
5. 开关容量:AC 220V 3A,DC 220V 1A。
6. 工频耐压:常开接点 2000V/min,常闭接点或单刀双掷接点:相间 1000V/min,对地 2000V/min,
7. 绝缘性能:常开接点 2500V,500MΩ,常闭接点或单刀双掷接点:相间 1000V,500MΩ,对地 2500V,500MΩ。
1. 安裝位置:油箱蓋上、升高座上。
2. 環境溫度:-30℃~+80℃(可根據用戶需求定製最高可支持 -45℃~+80℃),工作環境要求:-30℃~+125℃(可根據用戶需求定製最高可支持 -45℃~+125℃)。
3. 相對濕度:當空氣溫度為 20℃時,相對濕度不大於 95%。
4. 防護等級:IP56,適用範圍:海拔 0~4000m。
5. 開關容量:AC 220V 3A,DC 220V 1A。
6. 工頻耐壓:常開接點 2000V/min,常閉接點或單刀雙擲接點:相間 1000V/min,對地 2000V/min。
7. 絕緣性能:常開接點 2500V,500MΩ,常閉接點或單刀雙擲接點:相間 1000V,500MΩ,對地 2500V,500MΩ。

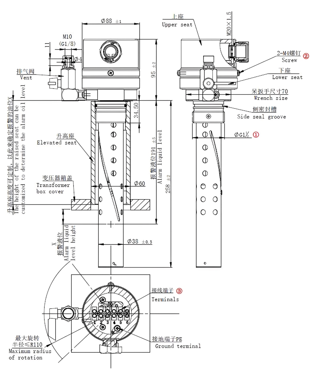
扭矩参考表
| 序号 | 装配位置 | 螺纹规格 | 推荐扭矩 | 装配工具规格 | 备注 | |
| 1 | 法兰安装孔 | G1½ | 60±3Nm | ![]() |
70mm | |
| 2 | 接线盒盖 | M4 | 1.5~2Nm | ![]() |
PH2 | 建议手动安装 |
| 3 | 接线端子 | M3 | 0.5~1Nm | ![]() |
![]() |
建议手动安装 |
| 色卡编号 | 颜色 | 可选性 |
| RAL7035 | 浅灰色 | 默认 |