1. 安装位置:安装于箱盖顶部。
2. 环境要求:-30℃~+70℃(可根据用户需求定制最高可支持 -45℃~+70℃);工作环境要求:-30℃~+115℃(可根据用户需求定制最高可支持 -45℃~+115℃)。
3. 相对湿度:+20℃时,不大于 95%。
4. 防护等级:IP55(可根据用户需求定制),适用范围:海拔 0~4000m。
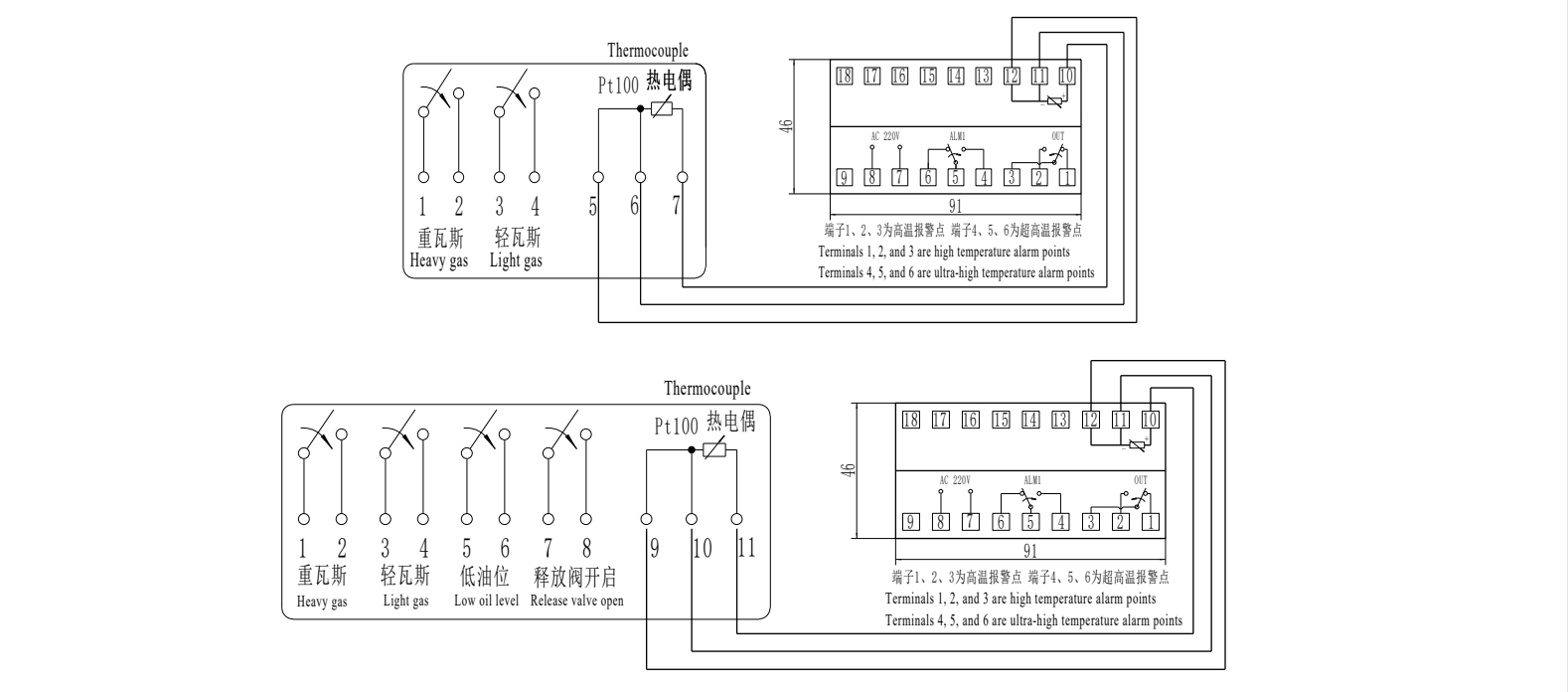
5. 接点容量:AC 220V/3A、DC 220V/0.5A。
6. 工频耐压:常开接点 2000V/min,常闭接点或单刀双掷接点:相间 1000V/min,对地 2000V/min。
7. 绝缘性能:常开接点 2500V,500MΩ,常闭接点或单刀双掷接点:相间 1000V,500MΩ,对地 2500V,1000MΩ。
1. 安裝位置:安裝於箱蓋頂部。
2. 環境要求:-30℃~+70℃(可根據用戶需求定製最高可支持 -45℃~+70℃);工作環境要求:-30℃~+115℃(可根據用戶需求定製最高可支持 -45℃~+115℃)。
3. 相對濕度:+20℃時,不大於 95%。
4. 防護等級:IP55(可根據用戶需求定製),適用範圍:海拔 0~4000m。
5. 接點容量:AC 220V/3A、DC 220V/0.5A。
6. 工頻耐壓:常開接點 2000V/min,常閉接點或單刀雙擲接點:相間 1000V/min,對地 2000V/min。
7. 絕緣性能:常開接點 2500V,500MΩ,常閉接點或單刀雙擲接點:相間 1000V,500MΩ,對地 2500V,1000MΩ。

QYW-Ⅰ多功能保护器外形尺寸图

QYW-Ⅰ多功能保护器外形尺寸图(带浮子保护罩)

扭矩参考表
| 序号 | 装配位置 | 螺纹规格 | 推荐扭矩 | 装配工具规格 | 备注 | ||
| 1 | 法兰安装孔 | M10 螺栓 | 18~22Nm | ![]() |
17mm | ||
| 2 | 接线端子 | M4 | 1.5~2Nm | ![]() |
PH2 | 建议手动安装 | |
| 3 | 接线盒盖 | M4 | 1.5~2Nm | ![]() |
PH2 | 建议手动安装 | |
本产品提供多种颜色选择,具体描述如下:
| 色卡编号 | 颜色 | 可选性 |
| RAL7038 | 玛瑙灰 | 默认 |
| RAL7042 | 交通灰 | 可选 |
| RAL7035 | 浅灰色 | 可选 |

面板开孔尺寸 91(宽)×46(高)(温控表嵌入面板内深度 100)