



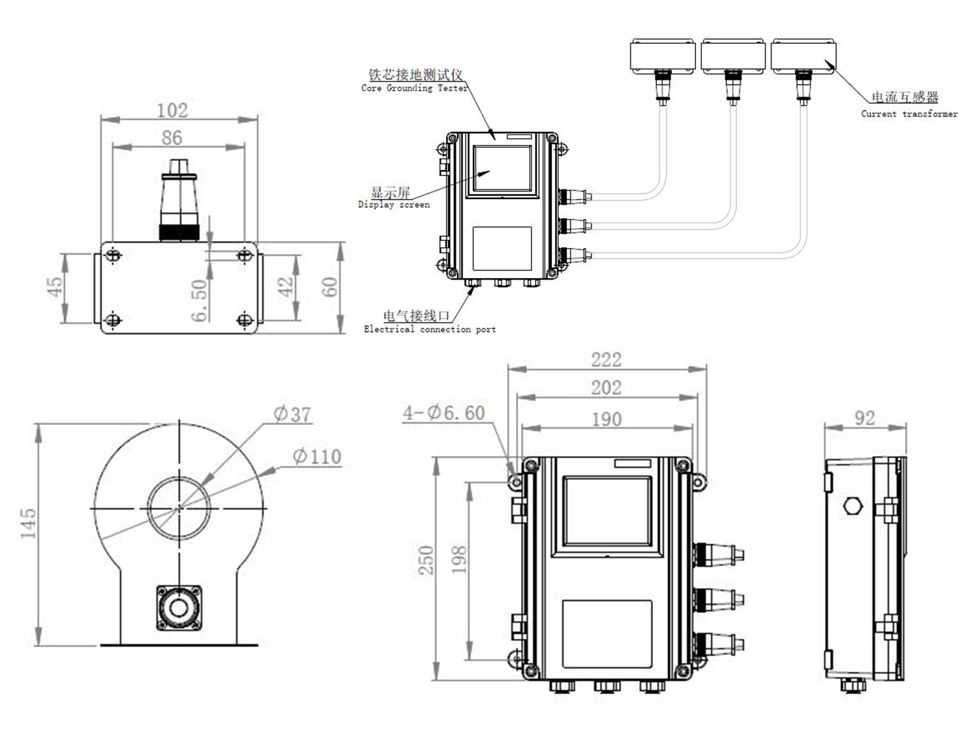
铁芯接地测试仪
鐵芯接地測試儀
变压器在运行时,绕组的电场和磁场共同作用使铁芯的各部件(包括夹件等)具有不同的电位,若铁芯未可靠接地,则因电位不同而可能产生断续放电现象,损坏其绝缘;另一方面,如果变压器铁芯出现多点接地情况,则每两个接地点间通过铁芯自身和接地线路形成一个闭合回路,其中交链的磁通将在回路中感应出环流,使铁芯局部过热,严重时会造成局部烧损,严重威胁变压器的安全运行。
變壓器在運行時,繞組的電場和磁場共同作用使鐵芯的各部件(包括夾件等)具有不同的電位,若鐵芯未可靠接地,則因電位不同而可能產生斷續放電現象,損壞其絕緣; 另一方面,如果變壓器鐵芯出現多點接地情况,則每兩個接地點間通過鐵芯自身和接地線路形成一個閉合回路,其中交鏈的磁通將在回路中感應出環流,使鐵芯局部過熱,嚴重時會造成局部燒損,嚴重威脅變壓器的安全運行。
1. 测量对象:变压器铁芯及夹件电流。
2. 测量范围:AC 0~10A。
3. 工作电源:AC 80~250V。
4. 耐受电压:500V。
5. 过载能力:10 倍最大额定电流。
6. 工作环境:温度-30~50℃,湿度<80%。
7. 仪表信号:4~20MA。
8. 通讯信号传输模式:采用 MODBUS 协议的 RTU(远程数据终端)传输模式。
9. 通讯传输距离:0~1000m。
10. 通讯规约:符合 Modbus 协议规范的 RS485 信号。
11. 报警开关信号输出容量:AC 220V /7A,DC 220V/ 1A。
1. 量測對象:變壓器鐵芯及夾件電流。
2. 量測範圍:AC 0~10A。
3. 工作電源:AC 80~250V。
4. 耐壓強度:500V。
5. 過載能力:10 倍最大額定電流。
6. 工作環境:溫度-30~50℃,濕度<80%。
7. 儀表訊號:4~20MA。
8. 通訊訊號傳輸模式:採用 MODBUS 協定之 RTU(遠端資料終端)傳輸模式。
9. 通訊傳輸距離:0~1000m。
10. 通訊規約:符合 Modbus 協定規範之 RS485 訊號。
11. 警報開關訊號輸出容量:AC 220V /7A,DC 220V/ 1A。
